Domov > Produkty > Bolt > Zápustná skrutka > Plochý počítač s nízkym štvorcovým krkom
        Plochý počítač s nízkym štvorcovým krkom
        • Plochý počítač s nízkym štvorcovým krkomPlochý počítač s nízkym štvorcovým krkom
        • Plochý počítač s nízkym štvorcovým krkomPlochý počítač s nízkym štvorcovým krkom
        • Plochý počítač s nízkym štvorcovým krkomPlochý počítač s nízkym štvorcovým krkom

        Plochý počítač s nízkym štvorcovým krkom

        Plochá skrutka s nízkym štvorcovým krkom s nízkym počtom štvorcov, ktorá produkovala Xiaoguo®, je silná a odolná. Naša kvalita produktu je zaručená. Skrutky môžeme prispôsobiť podľa vašich konkrétnych potrieb. Potrebujete iba poskytovať výkresy výrobkov alebo rozmery a materiály výrobkov atď.
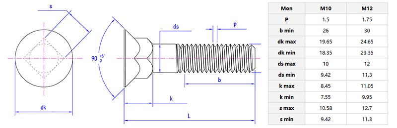
        Model:DIN 608-1981

        Odoslať dopyt

        Popis produktu

        HlavaPlochý počítač s nízkym štvorcovým krkomje plochý a môže byť úplne zabudovaný do materiálu, aby bol povrch rovný. Časť štvorcového krku je relatívne nízka, približne polovica výšky bežného štvorcového krku a vkladá sa do štvorcových otvorov materiálu, aby sa zabránilo rotácii.

        Flat countersunk low square neck bolt

        Podrobnosti o produkte

        Skrutka sa môže použiť na zabezpečenie drevených palúb na lodiach. Môžete ich použiť na upevnenie teakovej paluby k oceľovému rámu, pričom jej hlava je úplne zabudovaná do dreva, aby sa zabránilo zakopnutiu. Skrutka je zamknutá v oceľovom rámci, aby sa zabránilo rotácii, keď sa utiahne pod palubou. To môže zabrániť poškodeniu drahého dreva a vytvoriť hladký a bezpečný chôdza, ktorý lano nezachytí.


        TenPlochý počítač s nízkym štvorcovým krkomDokáže zaistiť ťažké kamenné panely na kovové rámy. Skrutky môžu byť úplne zakotvené v vopred vyvŕtaných kamenných drážkách a úplne skryté. Štvorcové skrutky krku môžu byť vložené do drážok rámu. To nielenže môže znášať hmotnosť kameňa, ale tiež udržať vzhľad elegantu a nebude sa uvoľniť kvôli dlhodobému pohybu budovy.

        Parametre produktu


        Flat countersunk low square neck bolt

        Produkt

        TenPlochý počítač s nízkym štvorcovým krkomje kratší ako obyčajný štvorcový krk a je vhodný na použitie na tenkých materiáloch. Napríklad pri inštalácii distribučnej skrinky vyrobeného z tenkých kovových listov je možné vložiť nízky štvorcový krk do štvorcových otvorov plechu, na rozdiel od obyčajného štvorcového krku, ktorý môže preniknúť do plachty a ovplyvniť zapojenie na chrbte. Pri inštalácii interiérových častí auta môžu ušetriť priestor.


        Hot Tags: Ploché pulty s nízkym štvorcovým krkom, Čína, výrobca, dodávateľ, továreň
        Súvisiaca kategória
        Odoslať dopyt
        Neváhajte a zadajte svoj dopyt vo formulári nižšie. Odpovieme vám do 24 hodín.
        X
        Súbory cookie používame, aby sme vám poskytli lepší zážitok z prehliadania, analyzovali návštevnosť stránok a prispôsobili obsah. Používaním tejto stránky súhlasíte s naším používaním cookies. Zásady ochrany osobných údajov
        Odmietnuť Prijať