Domov > Produkty > Skrutka > Skrutka hlavy hexalobulárnej soketu > Hexalobulárna skrutka hlavy s malou prírubou
      Hexalobulárna skrutka hlavy s malou prírubou
      • Hexalobulárna skrutka hlavy s malou prírubouHexalobulárna skrutka hlavy s malou prírubou
      • Hexalobulárna skrutka hlavy s malou prírubouHexalobulárna skrutka hlavy s malou prírubou
      • Hexalobulárna skrutka hlavy s malou prírubouHexalobulárna skrutka hlavy s malou prírubou

      Hexalobulárna skrutka hlavy s malou prírubou

      Hexalobulárna skrutka hlavy s malou prírubou sa široko používa v automobilovom priemysle, elektronike a leteckom priemysle. Tvar hlavy je špeciálny a vyžaduje skrutkovač so správnym tvarom, ktorý sa s ním používa. Prispôsobené riešenia sú silou výrobcov Xiaoguo®. Môžeme si prispôsobiť podľa poskytnutých špecifikácií.
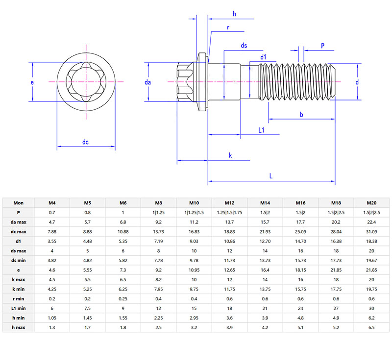
      Model:DIN 34800-2005

      Odoslať dopyt

      Popis produktu

      Hexalobulárna skrutka hlavy s malou prírubou prichádza vo všetkých druhoch veľkostí. Môžete získať skutočne malé M2 pre elektroniku a veľké M24 pre ťažké priemyselné stroje. Štandardné dĺžky zvyčajne prechádzajú od 5 mm do 200 mm. Veľkosti pohonu, napríklad T10 alebo T25, sú nastavené tak, aby zodpovedali, koľko krútiacich síl potrebujete. Existujú jemné aj hrubé ihriská vlákna, ktoré fungujú lepšie pre rôzne druhy materiálov. Ak máte špeciálny projekt, môžete dokonca získať veľkosti vyrobené na mieru. Tieto skrutky sledujú medzinárodné normy, takže pracujú s nástrojmi po celom svete. To je dôvod, prečo sú ľudia, ktorí ľudia dôverujú všade.

      Výber materiálu

      Hexalobulárna skrutka hlavy s malou prírubou sa dodáva v mnohých rôznych materiáloch. Tu sú obvyklé:

      Nerezová oceľ: Je to skvelé na udržanie hrdze preč, ako je stupeň 304 alebo 316.

      Zliatinová oceľ: Po zahrievaní a spracovaní sa sila zvýši vyššia, napríklad 8,8 alebo 12,9.

      Titanium: Ľahké a nie je ľahké hrdzaviť.

      Mosadz: nemagnetický, krásny vzhľad, vhodný na pripojenie k dekoráciám.

      Hliník: Ľahký materiál.

      Vyberieme každý materiál v závislosti od toho, aké je prostredie a koľko sily musí zvládnuť. Týmto spôsobom je hexalobulárna skrutka hlavy s malými prírubami, ako je to možné, pre akúkoľvek prácu, pre ktorú sú určené.



      Hexalobular head bolt with small flange

      Hexalobular head bolt with small flange

      Naša distribúcia trhu

      Trh
      Príjmy (predchádzajúci rok)
      Celkový výnos (%)
      Severná Amerika
      Dôverný
      20
      Južná Amerika
      Dôverný
      4
      Východná Európa
      Dôverný
      24
      Juhovýchodná Ázia
      Dôverný
      2
      Afrika
      Dôverný
      2
      Oceánia
      Dôverný
      1
      Stredný východ
      Dôverný
      4
      Východná Ázia
      Dôverný
      13
      Západná Európa
      Dôverný
      18
      Stredná Amerika
      Dôverný
      6
      Severná Európa
      Dôverný
      2
      Južná Európa
      Dôverný
      1
      Južná Ázia
      Dôverný
      4
      Domáci trh
      Dôverný
      5


      Hot Tags: Hexalobulárna hlava skrutka s malou prírubou, Čína, výrobca, dodávateľ, továreň
      Súvisiaca kategória
      Odoslať dopyt
      Neváhajte a zadajte svoj dopyt vo formulári nižšie. Odpovieme vám do 24 hodín.
      X
      We use cookies to offer you a better browsing experience, analyze site traffic and personalize content. By using this site, you agree to our use of cookies. Privacy Policy
      Reject Accept