Domov > Produkty > Zváracie orechy > Zváraný cvok > Okrúhle zváracie skrutky s plochou hlavou
        Okrúhle zváracie skrutky s plochou hlavou
        • Okrúhle zváracie skrutky s plochou hlavouOkrúhle zváracie skrutky s plochou hlavou
        • Okrúhle zváracie skrutky s plochou hlavouOkrúhle zváracie skrutky s plochou hlavou
        • Okrúhle zváracie skrutky s plochou hlavouOkrúhle zváracie skrutky s plochou hlavou

        Okrúhle zváracie skrutky s plochou hlavou

        Okrúhle ploché projekčné zvarové svorníky sú určené na zváranie povrchu plastov. Používajú teplo na roztavenie a spojenie materiálov bez toho, aby ich poškodili. Jeho dizajn zaisťuje bezpečné uchytenie a zabraňuje praskaniu plastu. Xiaoguo® Factory poskytuje spojovacie prvky rôznych veľkostí a modelov, ktoré možno použiť v rôznych scenároch.
        Model:QC/T 891-2011

        Odoslať dopyt

        Popis produktu

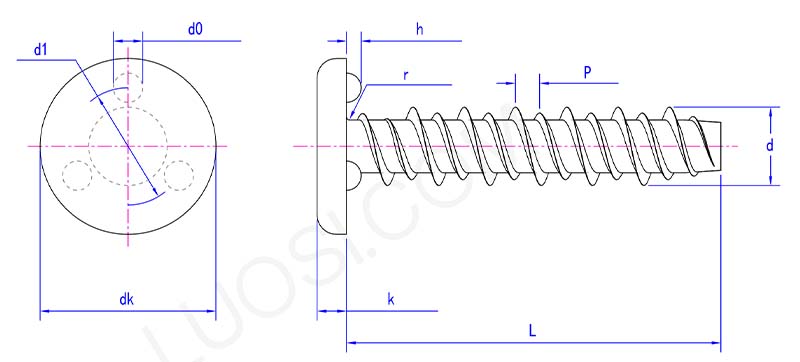
        Zváracie kolíky s okrúhlou plochou hlavou sa skladajú hlavne zo skrutkovej tyče a hlavy. Dizajn hlavy sa líši. Niektoré sú pomerne široké, aby zväčšili kontaktnú plochu s plastom počas zvárania; iné majú špeciálne vzory alebo výstupky na uľahčenie lepšej integrácie s plastom.

        Aplikácie a parametre produktu

        Round flat head projection weld studs parameter

        Po
        NST3 NST3.5
        NST4
        NST5
        NST6
        P
        1.1 1.3 1.4 1.6 1.8
        d1
        6.2 7 8 9.2 10.8
        d0 max
        1.1 1.4 1.9 2.1 2.7
        d0 min
        0.9 1.2 1.7 1.9 2.4
        dk max
        8.3 9.4 10.9 12.3 14.5
        dk min
        8.1 9.2 10.7 12.1 14.2
        h max
        0.45 0.55 0.7 0.8 1.05
        h min
        0.35 0.45 0.6 0.7 0.95
        k max
        1 1.2 1.3 1.7 2.1
        k min
        0.6 1 1.1 1.5 1.9
        r max
        0.4 0.5 0.6 0.7 1.0


        Zváracie kolíky s okrúhlou plochou hlavou sa používajú v elektronickom výrobnom priemysle. Napríklad pri výrobe krytov na telefóny, tablety, kryty slúchadiel atď. budú spoje niektorých vnútorných plastových konštrukčných komponentov vyžadovať použitie týchto typov skrutiek. Pri inštalácii plastových komponentov, ako je držiak batérie a štít základnej dosky do telefónu, ich pripevnite na príslušné pozície zváraním a potom nainštalujte ostatné komponenty.

        Tieto zváracie skrutky sa používajú v priemysle výroby hračiek. Mnohé hračky sú zostavené z plastových dielov a tieto diely je možné použiť na ich spojenie. Ako sú plastové stavebnice na stavbu hradov, plastových modelov áut atď. Zabezpečujú odolnosť hračiek a bezpečnosť pri používaní deťmi.

        Projekčné zvarové svorníky sa používajú vo výrobnom priemysle výrobkov pre domácnosť. Využívajú ich mnohé plastové výrobky, ako sú plastové úložné boxy, plastové stoly a stoličky atď. Pri inštalácii držadiel, prepážok a iných komponentov úložného boxu privarte zváracie skrutky na hlavné telo úložného boxu a potom nainštalujte zodpovedajúce komponenty. To zaisťuje, že tieto komponenty sa pri častom každodennom používaní len tak ľahko neuvoľnia, čím sa zvyšuje praktickosť a životnosť úložného boxu.

        Funkcia produktu

        Zváracie kolíky s okrúhlou plochou hlavou umožňujú bezpečné a pohodlné spojenie medzi plastovými komponentmi. Pomocou zvárania je tesne spojený s plastovými komponentmi, s vysokou pevnosťou spojenia a účinne zabraňuje uvoľneniu komponentov. Operácia zvárania je pomerne jednoduchá. Pre tých, ktorí majú nejaké skúsenosti so spracovaním plastov, je ľahké ho zvládnuť a môže zvýšiť efektivitu výroby.


        Hot Tags: Projekčné zváracie skrutky s okrúhlou plochou hlavou, Čína, výrobca, dodávateľ, továreň
        Súvisiaca kategória
        Odoslať dopyt
        Neváhajte a zadajte svoj dopyt vo formulári nižšie. Odpovieme vám do 24 hodín.
        X
        Súbory cookie používame, aby sme vám poskytli lepší zážitok z prehliadania, analyzovali návštevnosť stránok a prispôsobili obsah. Používaním tejto stránky súhlasíte s naším používaním cookies. Zásady ochrany osobných údajov
        Odmietnuť Prijať