Domov > Produkty > Orech > Ručne zaskrutkujte maticu > Hardware Nástroje Valcovacia matica
        Hardware Nástroje Valcovacia matica
        • Hardware Nástroje Valcovacia maticaHardware Nástroje Valcovacia matica
        • Hardware Nástroje Valcovacia maticaHardware Nástroje Valcovacia matica

        Hardware Nástroje Valcovacia matica

        Zabezpečte súlad a bezpečnosť systému. XIAO GUO Hardware Tools Rolling Nut certifikovaný produkt CE spĺňa prísne normy. Naše matice sú navrhnuté pre spoľahlivú a dlhodobú prevádzku v náročných priemyselných prostrediach.

        Odoslať dopyt

        Popis produktu

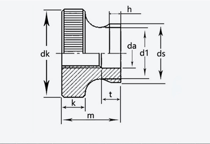
        Špecifikácie valcovacej matice hardvérových nástrojov pre hardvérové ​​nástroje zahŕňajú najmä veľkosť vnútorného závitu a vonkajší priemer. Veľkosti závitov sa pohybujú od M2 do M8, ktoré sú najbežnejšie pri montáži tenkých plechov. Vonkajšie priemery zodpovedajú týmto závitom – menšie závity idú s menšími priemermi, takže správne zapadajú do predvŕtaných otvorov. Stačí si vybrať na základe veľkosti skrutky, ktorú s ním použijete.

        Triedy sú jednoduché: štandardná trieda a trieda s vysokou pevnosťou. Štandardná trieda funguje na bežné úlohy, ako sú držiaky nábytku alebo kryty elektroniky. Vysokopevnostná trieda je vyrobená z hrubšieho materiálu, vhodná pre stroje alebo diely, ktoré potrebujú vydržať väčšiu silu bez skĺznutia.

        Každý orech má svoju špecifikáciu a triedu vyznačenú na obale, takže je ľahké vybrať ten správny. Žiadne zložité kódovanie, len základné čísla a slová. Hardvérové ​​nástroje Špecifikácie a triedy Rolling Nut pokrývajú väčšinu bežných potrieb pri spracovaní plechu, žiadne extra ozdobné možnosti.

        Hardware Tools Rolling Nut

        Kontrola kvality produktu

        Začíname s kontrolami surovín. Každá šarža kovu je kontrolovaná na praskliny, preliačiny alebo slabé miesta. Do výroby sa dostane iba kvalifikovaný materiál – to je prvý krok k udržaniu kvality.

        Počas výroby pravidelne vykonávame náhodné kontroly. Najprv sa pozrieme na presnosť závitu; musia hladko zapadnúť skrutky bez tesných alebo voľných miest. Často meriame aj vonkajší priemer a hrúbku, aby sme sa uistili, že zodpovedajú štandardným špecifikáciám. Kontroluje sa aj povrchová úprava, aby sa zabezpečilo, že žiadne tenké pokovovanie alebo chýbajúce oblasti, ktoré by mohli spôsobiť hrdzu.

        Pred odoslaním prechádzajú náhodné vzorky z každej šarže inštalačnými testami. Vtlačíme ich do plechu a vyskúšame, či pevne držia bez šmýkania. Tiež kontrolujeme, či na povrchu nie sú nejaké škrabance alebo deformácie. Hardvérové ​​nástroje Rolling Nut prejde týmito jednoduchými, ale prísnymi krokmi, aby sa ubezpečil, že bude dobre fungovať pri každodenných montážnych prácach.

        Zasadnutie otázok a odpovedí

        Otázka: Bude ľahko hrdzavieť vo vlhkých pobrežných oblastiach?

        Odpoveď: Závisí to od povrchovej úpravy. Pozinkované môžu hrdzavieť po 1-2 rokoch pri vysokej vlhkosti. Žiarovo pozinkované alebo nerezové sú lepšie pre pobrežné oblasti – dokážu odolávať slanej hmle a vlhkosti 5-8 rokov. Ak sa vaše výrobky používajú vonku, odporúčame vám zvoliť maticu z nehrdzavejúcej ocele. Môžeme tiež poskytnúť správy o testoch odolnosti proti korózii pre vašu referenciu.  

        Hardware Tools Rolling Nut


        veľkosť Smola Vonkajší priemer Výška k ds da d1 T h
        max min max min max min max min max
        M3 0,5  11  10.7  6.64  2.8  5.7  3.5  3.2  5.2  1.2 
        M4 0,7  12  11.7  7,64  7,64  4.5  4.2  6.4  2.5  1.5 
        M5 0,8  16  15.7  10  96,6  10  9,64  5.5  5.5 
        M6 20  19.7  12  11.6  12  11.6  6.56  6.2  11  2.5 
        M8 1.25  24  23.7  16  15.6  16  15.6  8,86  8.5  13 
        M10 1.5 30 29.7 20 19.5 8 20 19.5 10.9 10.5 17.2 6.5 3.8
        Hot Tags: Hardvérové ​​nástroje Valcovacia matica, Čína, výrobca, dodávateľ, továreň
        Súvisiaca kategória
        Odoslať dopyt
        Neváhajte a zadajte svoj dopyt vo formulári nižšie. Odpovieme vám do 24 hodín.
        X
        Súbory cookie používame, aby sme vám poskytli lepší zážitok z prehliadania, analyzovali návštevnosť stránok a prispôsobili obsah. Používaním tejto stránky súhlasíte s naším používaním cookies. Zásady ochrany osobných údajov
        Odmietnuť Prijať