Expanzné skrutky s vlastným ukotvením sa skladajú hlavne zo skrutiek, expanzných skúmaviek, matíc a ďalších častí. Počas inštalácie utiahnutím matice bude skrutka poháňať rozširujúcu trubicu, aby sa rozšírila vo vnútri vrtu, čím ju pevne pripevní na stenu alebo na iný základný povrch.
	
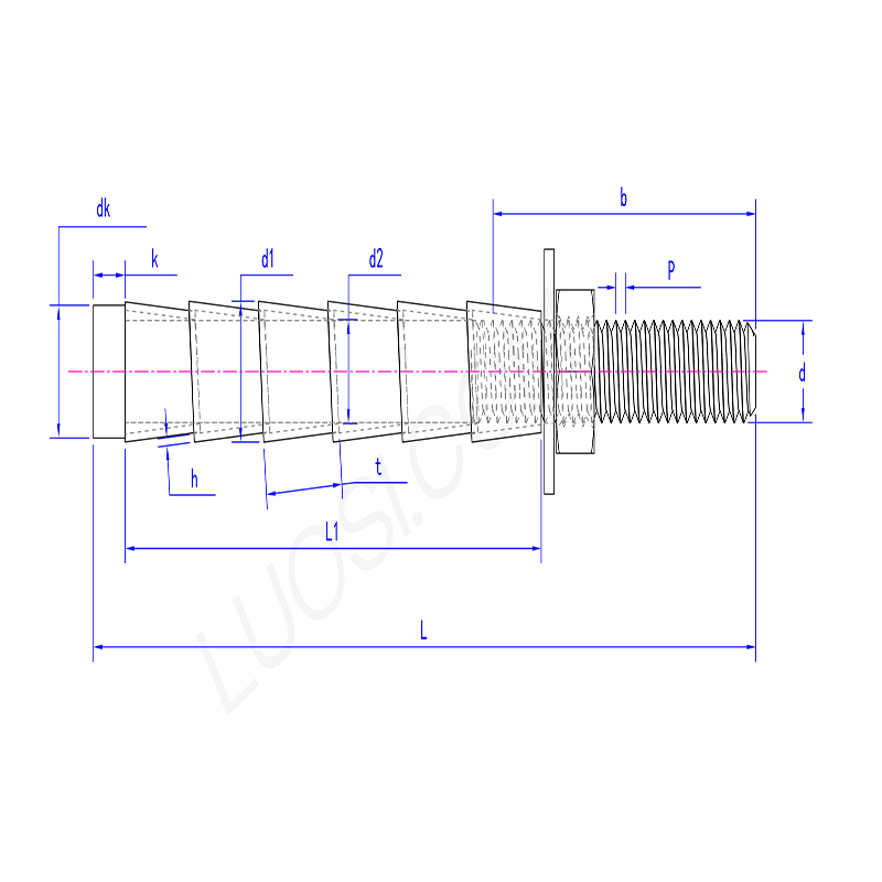
| Monštrum | M6 | M8 | M10 | M12 | M16 | M20 | M22 | M24 | 
| P | 1 | 1.25 | 1.5 | 1.75 | 2 | 2.5 | 2.5 | 3 | 
| DK Max | 10 | 12 | 14 | 16 | 20 | 24 | 26 | 28 | 
| DK Min | 9 | 11 | 13 | 15 | 19 | 23 | 25 | 27 | 
| L1 | 45 | 60 | 70 | 75 | 100 | 125 | 150 | 180 | 
| k | 5 | 5 | 5 | 5 | 5 | 5 | 5 | 5 | 
| D1 | 9.8 | 11.8 | 13.8 | 15.8 | 19.8 | 23.8 | 25.8 | 27.8 | 
| D2 | 6.2 | 8.2 | 10.2 | 12.2 | 16.2 | 20.2 | 22.2 | 24.2 | 
| h | 0.6 | 0.8 | 0.8 | 0.8 | 0.9 | 1 | 1 | 1.2 | 
| t | 10 | 12 | 12 | 14 | 14 | 16 | 16 | 20 | 
| L | 65 | 85 | 100 | 110 | 150 | 200 | 250 | 300 | 
	
Samostatná expanzná skrutka môže pevne ukotviť objekty v betónových alebo murivských štruktúrach. Potrebujete iba vŕtať diery, vložiť skrutky a potom utiahnuť orechy. Po utiahnutí sa samotná skrutka rozšíri do otvoru. Zvyčajne sa tvorí vytiahnutím kužeľa do rukávu, čím sa vytvorí pevný mechanický zámok a pevne ho upevňuje na stenu.
	
Inštalácia expanzných skrutiek s vlastným ukotvením je veľmi jednoduchá: vŕtajte otvory správnej veľkosti, odstráňte prach, vrazte skrutky kladivom a potom utiahnite orechy kľúče. Počas procesu sprísnenia je expanzný mechanizmus nútený otvoriť a pevne uchopiť základný materiál. Jedná sa o priamy proces „inštalácia a sprísnenie“, ktorý môže dosiahnuť pevnú fixáciu.
	
Napríklad pripevnite konzolu na betónovú stenu, opravte mechanickú základňu na podlahu, opravte zábradlie alebo opravte stĺpec na nadáciu. Sú vysoko vhodné na stredné až ťažké operácie v pevnom betóne, tehlách alebo blokoch, kde po výstavbe nadácie musíte pridať silný a odnímateľný kotvový bod.
	
Rozširujúce skrutky s vlastným ukotvením majú silnú adaptabilitu. Má silnú adaptabilitu na rôzne základné lietadlá. Či už ide o betónovú stenu, tehlovú stenu alebo nejakú drevenú konštrukciu, pokiaľ sú vhodné diery vŕtané, môže hrať veľmi dobrú ukotviacu úlohu. Okrem toho prichádza v rôznych špecifikáciách. Podľa skutočných požiadaviek na inštaláciu a stavu základného povrchu je možné zvoliť vhodnú veľkosť, ktorá spĺňa rôzne inštalačné scenáre.
	