Domov > Produkty > Bolt > Kotvená skrutka > Štvorcová štvorcová kotvová kotvená skrutky
        Štvorcová štvorcová kotvová kotvená skrutky
        • Štvorcová štvorcová kotvová kotvená skrutkyŠtvorcová štvorcová kotvová kotvená skrutky
        • Štvorcová štvorcová kotvová kotvená skrutkyŠtvorcová štvorcová kotvová kotvená skrutky
        • Štvorcová štvorcová kotvová kotvená skrutkyŠtvorcová štvorcová kotvová kotvená skrutky

        Štvorcová štvorcová kotvová kotvená skrutky

        Skrutky štvorcovej štvorcovej kotvovej kotvy majú štvorcovú hlavu s štvorcovým krkom pripojeným k hlave v spodnej časti a závitovou konštrukciou na druhom konci. Skrutky produkované továrňou Xiaoguo® sú vhodné pre malé domácich kutilov a veľkú konštrukciu a môžu sa dobre používať s betónom a inými tvrdými materiálmi.
        Model:BS 7419-1991

        Odoslať dopyt

        Popis produktu

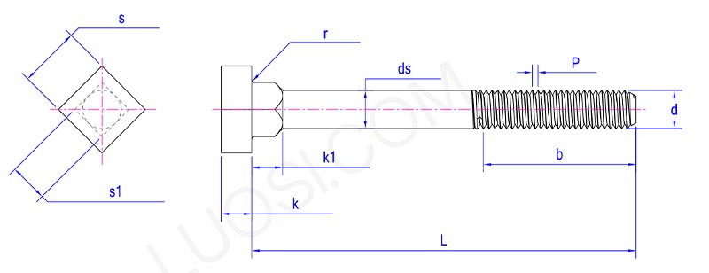
        Hlava štvorcových štvorcových kotviacich skrutiek na krk je štvorcová, rovnako ako krk. Dizajn štvorcovej hlavy poskytuje veľkú kontaktnú plochu pre kľúč, čím zabezpečuje stabilnejšiu aplikáciu sily. Je to obzvlášť praktické v scenároch, ktoré si vyžadujú silný krútiaci moment a opatrenia proti sklzu.

        Parametre produktu

        square head square neck anchor bolts parameter

        Monštrum
        M16
        M20
        M24
        M30
        M36
        M42
        M48
        M56
        M64
        P
        2 2.5 3 3.5 4 4.5 5 5.5 6
        b max
        122 127.5 133 140.5 148 155.5 163 172.5 182
        B min.
        116 120 124 130 136 142 148 156 164
        DS Max
        16.7 20.84 24.84 30.84 37 43 49 57.2 65.2
        Ds
        15.3 19.16 23.16 29.16 35 41 47 54.8 62.8
        K min
        9.25 11.6 14.1 17.65 21.45 24.95 28.95 33.75 38.75
        k max
        10.75 13.4 15.9 19.75 23.55 27.05 31.05 36.25 41.25
        R min
        0.6 0.8 0.8 1 1 1.2 1.6 2 2
        s max.
        24 30 36 46 55 65 75 85 95
        s
        23.16 29.16 35 45 53.8 63.1 73.1 82.8 92.8
        K1 min
        7.25 9.25 11.1 14.1 17.1 19.95 22.95 26.95 30.75
        K1 Max
        8.75 10.75 12.9 15.9 18.9 22.05 25.05 29.05 33.25
        max.
        16.7 20.84 24.84 30.84 37 43 49 57.2 65.2
        S1 Min
        15.3 19.16 23.16 29.16 35 41 47 54.8 62.8

        Vlastnosti produktu

        Štvorcové skrutky kotvenia štvorcového krku sa vzťahujú na pevné skrutky zabudované pred betónom, ktoré tuhnú. Po stvrdnutí betónu sa štvorcový krk uzamkneskrutkyNa mieste, aby sa im zabránilo v rotácii, keď sú matice neskôr utiahnuté. Sú to základy, ktoré priamo zakotvujú ťažké predmety, ako sú stĺpce, stroje alebo konštrukčná oceľ, do betónovej nadácie.

        Skrutky kotiev sú pevne nainštalované. Keď utiahnete maticu, štvorcový krk bude pevne upnutý v inštalovanom materiáli, ako je betón alebo drevo, aby sa zabránilo otáčaniu skrutky spolu s maticou. Týmto spôsobom môže pevný objekt zostať pevne na svojom mieste a nebude sa ľahko otriasť ani sa nepresunúť.

        Inštalácia tejto metrickej kotvovej skrutky sa vykonáva počas procesu nalievania betónu. Na ich umiestnenie môžete použiť šablóny alebo príslušenstvo a uistite sa, že závitové konce smerujú smerom nahor. Kľúčovým krokom je vložiť časť štvorcového krku do mokrého betónu. Keď betón stuhne okolo štvorcového krku, pevne uchopí štvorcový krk. Potom stačí umiestniť položku na skrutku a potom utiahnite maticu na exponované vlákno.

        Štvorcové skrutky kotvenia štvorcového krku sú odolné voči nárazom. Pretože skrutky sú fyzicky uzamknuté do betónu pomocou kaleného materiálu obklopujúceho štvorcový krk, je menej pravdepodobné, že sa uvoľnia v dôsledku vibrácií alebo pohybu. To im umožňuje spoľahlivo zakotviť vibračné stroje alebo štruktúry vystavené dynamickým záťažom, ako je napríklad vietor alebo premávka.


        Hot Tags: Štvorcová štvorcová kotvová kotva skrutky, Čína, výrobca, dodávateľ, továreň
        Súvisiaca kategória
        Odoslať dopyt
        Neváhajte a zadajte svoj dopyt vo formulári nižšie. Odpovieme vám do 24 hodín.
        X
        Súbory cookie používame, aby sme vám poskytli lepší zážitok z prehliadania, analyzovali návštevnosť stránok a prispôsobili obsah. Používaním tejto stránky súhlasíte s naším používaním cookies. Zásady ochrany osobných údajov
        Odmietnuť Prijať