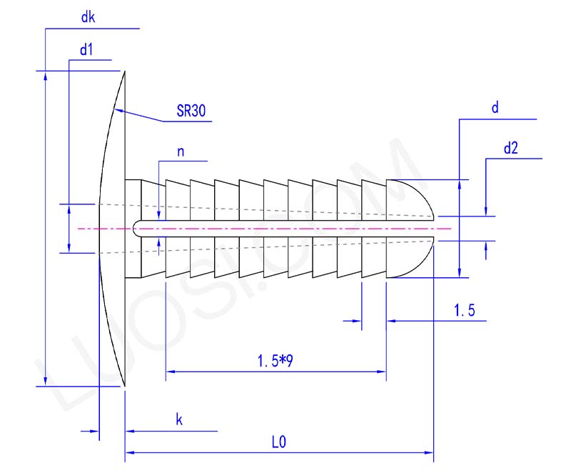
|
Po |
F6 |
F8 |
Φ10 |
|
d max |
6 | 8 | 10 |
|
dmin |
5.8 | 7.8 | 9.8 |
|
dk max |
16.2 | 16.2 | 18.2 |
|
dk min |
15.8 | 15.8 | 17.8 |
|
k max |
1.6 | 1.6 | 2.1 |
|
k min |
1.4 | 1.4 | 1.9 |
|
L0 |
20 | 20 | 22 |
|
d1 |
3 | 4 | 5 |
|
d2 |
1.5 | 2 | 3 |
|
n |
1 | 1 | 1.5 |
Rozširujúci sa držiak nitovej spony je užitočný plastový spojovací prvok. Funguje ako bezpečnejšia a ľahšia možnosť, ktorá odoláva hrdzi, namiesto bežných kovových závlačiek.
Je to v podstate valcový kus s rozdelením v strede. Prevlečiete ho cez predvŕtaný otvor, potom ohnite dve nohy, aby ste držali diely, ako sú čapy vidlice, hriadele alebo spoje na mieste. Táto plastová verzia vás zbaví problémov, ako je opotrebovanie kovu, ostré hrany a galvanická korózia.
Hlavná výhoda rozťahovacieho držiaka nitovej spony je o bezpečnosti, ľahšej hmotnosti a držaní v rôznych prostrediach.
Na rozdiel od kovových kolíkov nemá problém s ostrými otrepami, ktoré by vás mohli porezať pri vkladaní alebo vyberaní. Je oveľa ľahší, čo je veľmi dôležité pre letecký a automobilový priemysel.
A čo viac, rozširujúci sa držiak nitových svoriek prirodzene odoláva hrdzi a korózii. Môže sa používať na vlhkých miestach, v blízkosti chemikálií alebo tam, kde je elektrina nedostatočná a kde môžu kovové ihly zlyhať alebo spôsobiť problémy.

Špecifická hodnota pevnosti v šmyku nášho rozpínacieho držiaka nitovej spony sa bude líšiť v závislosti od priemeru čapu a konkrétnej triedy materiálu.
Je navrhnutý tak, aby zvládol množstvo vibrácií a pohybujúcich sa bremien, ktoré sú bežné v strojoch, automobilových súčiastkach a montážnych linkách.
Materiál má prirodzene určitú pružnosť a pružnosť, čo mu pomáha absorbovať nárazy. Vďaka tomu je spoľahlivou náhradou kovových kolíkov v mnohých náročných prostrediach, ľahko sa neopotrebuje a tiež znižuje opotrebovanie častí, ktoré spája.
