Prirodzené vlastnosti plastových rozťahovacích nitovacích svoriek ich predurčujú na špeciálne, špecifické použitie. Keďže nevedie elektrinu, je skutočne dôležitý v elektrických skriniach a vysokonapäťových oblastiach. Nevytvára iskry, čo je skutočne potrebné na miestach, kde by mohlo dôjsť k výbuchu (zóny ATEX).
Nezaobídete sa bez neho ani v miestnostiach s magnetickou rezonanciou a citlivej elektronike, na miestach, kde nie sú povolené ani malé magnetické polia z kovových kolíkov.

Dobré plastové rozťahovacie nitové spony prechádzajú prísnymi testami, aby sa zaistilo, že fungujú konzistentne. Tieto testy kontrolujú veci, ako je presnosť veľkosti, koľko dokáže vytiahnuť, ako dobre zvláda nárazy a či funguje s rôznymi chemikáliami.
Plastové závlačky Xiaoguo® sú vyrábané podľa priemyselných noriem s použitím materiálov, ktoré spĺňajú špecifikované požiadavky a zabezpečujú výkon. Bezpečne a bezpečne držia predmety na mieste, na ktoré sú určené. Plastové sú v porovnaní s kovovými závlačkami odolnejšie voči korózii a korózii.

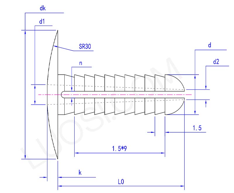
Po
Φ6
Φ8
Φ10
d max
6
8
10
d min
5.8
7.8
9.8
dk max
16.2
16.2
18.2
dk min
15.8
15.8
17.8
k max
1.6
1.6
2.1
k min
1.4
1.4
1.9
L0
20
20
22
d1
3
4
5
d2
1.5
2
3
n
1
1
1.5
Naše štandardné plastové rozťahovacie nitové spony sú vyrobené z materiálov, ktoré sú v súlade s hlavnými medzinárodnými predpismi, vrátane RoHS a REACH. Ponúkame tiež verzie s certifikátom FDA pre aplikácie prichádzajúce do styku s potravinami. Certifikáty zhody sú k dispozícii na požiadanie.
Naše materiály sú počas výroby starostlivo vyberané podľa globálnych noriem, čím sa zaisťuje súlad s príslušnými normami kvality a zaisťuje sa bezpečný vývoz a rozšírené používanie po celom svete.