Domov > Produkty > Strúhanie > Plastový nit > Rozširujúca sa spona na nit
        Rozširujúca sa spona na nit
        • Rozširujúca sa spona na nitRozširujúca sa spona na nit
        • Rozširujúca sa spona na nitRozširujúca sa spona na nit
        • Rozširujúca sa spona na nitRozširujúca sa spona na nit
        • Rozširujúca sa spona na nitRozširujúca sa spona na nit
        • Rozširujúca sa spona na nitRozširujúca sa spona na nit

        Rozširujúca sa spona na nit

        Rozpínacia nitovacia spona je plastový spojovací prvok, ktorý sa inštaluje vložením svojich pružných hrotov cez otvor a následným oddelenímXiaoguo® je výrobca s viac ako desaťročnými profesionálnymi skúsenosťami v odvetví spojovacích materiálov. Sme schopní dodať načas bez ohľadu na veľkosť objednávky.
        Model:QC/T 350-1999

        Odoslať dopyt

        Popis produktu

        Najbežnejšími materiálmi pre spoľahlivé rozťahovacie nitovacie spony sú sklom vystužený nylon 6/6 a acetalový kopolymér (POM). Nylon 6/6 je pevnejší a lepšie zvláda teplo. POM si dobre drží svoj tvar, veľmi sa neotiera a vydrží opakované použitie bez opotrebovania.

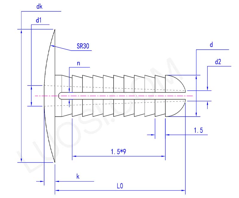
        expanding rivet clip parameter

        Po
        Φ6 Φ8
        Φ10
        d max
        6 8 10
        d min
        5.8 7.8 9.8
        dk max
        16.2 16.2 18.2
        dk min
        15.8 15.8 17.8
        k max
        1.6 1.6 2.1
        k min
        1.4 1.4 1.9
        L0
        20 20 22
        d1
        3 4 5
        d2
        1.5 2 3
        n
        1 1 1.5

        Tieto technické plasty zaisťujú, že telo závlačky dobre funguje pri mechanickom namáhaní a náročných podmienkach. Na rozdiel od lacnejších plastov sa ľahko nerozbijú.

        Údržba

        Údržba rozťahovacích nitovacích klipov je jednoduchá. Vyrobené z plastu odolného voči korózii, nehrdzavejú, čím sa eliminuje potreba antikoróznych prostriedkov alebo olejov. Pred použitím ich skontrolujte, či nie sú poškodené, ako sú praskliny, deformácie alebo krehkosť alebo bielenie v dôsledku dlhodobého vystavenia slnečnému žiareniu. Výmena je jednoduchá; nie sú potrebné žiadne špeciálne nástroje. Jednoducho vytiahnite starú sponu za nohy a nahraďte ju novou. Jednoduché použitie. Pravidelne kontrolujte stav nitovacej spony a ihneď ju vymeňte.

        Je váš odolný voči UV žiareniu pri dlhodobom používaní vonku?

        Naše štandardné rozťahovacie nitovacie spony majú UV blokátory zabudované priamo pri ich výrobe. Aj keď sú vystavené slnečnému žiareniu po dlhú dobu, nevyschnú, neskrehnú alebo ľahko prasknú.

        Táto ochrana proti UV žiareniu im umožňuje vykonávať svoju prácu, pričom zostávajú silné, flexibilné a pevne držia aj v drsných vonkajších podmienkach. Myslite na traktory, bagre, solárne panely, poľnohospodárske náradie atď. V porovnaní s bežnými plastmi bez nich vydržia dlhšie bez toho, aby ste sa s nimi museli trápiť.


        Hot Tags: Rozširujúca sa spona na nit, Čína, výrobca, dodávateľ, továreň
        Súvisiaca kategória
        Odoslať dopyt
        Neváhajte a zadajte svoj dopyt vo formulári nižšie. Odpovieme vám do 24 hodín.
        X
        Súbory cookie používame, aby sme vám poskytli lepší zážitok z prehliadania, analyzovali návštevnosť stránok a prispôsobili obsah. Používaním tejto stránky súhlasíte s naším používaním cookies. Zásady ochrany osobných údajov
        Odmietnuť Prijať