Domov > Produkty > Zváracie orechy > Zváraná matica > Zváracie matice v štýle T s typom 1A
        Zváracie matice v štýle T s typom 1A
        • Zváracie matice v štýle T s typom 1AZváracie matice v štýle T s typom 1A
        • Zváracie matice v štýle T s typom 1AZváracie matice v štýle T s typom 1A

        Zváracie matice v štýle T s typom 1A

        Zváracie matice typu T s typom 1A sú špeciálne navrhnuté na zváranie kovov a zodpovedajú špecifikácii 1A, čím zaisťujú pevné uchytenie. Vhodné pre kovové rámy, podpery alebo mechanické zariadenia, dizajn v tvare T pomáha šetriť miesto. Továreň Xiaoguo® má na sklade veľké množstvo tovaru. Môžeme tiež prispôsobiť a poskytnúť produkty, ktoré spĺňajú špecifické potreby.
        Model:JIS B1196-3.1-2001

        Odoslať dopyt

        Popis produktu

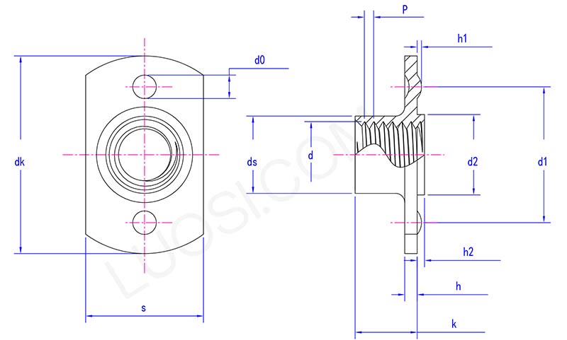
        Zváracie matice typu T s typom 1A majú tvar pripomínajúci písmeno "T" so závitovou valcovou časťou na spodnej strane. Na prírube je niekoľko malých výstupkov, ktoré sú špeciálne určené na zváranie. Špecifikácie bežného závitu sa pohybujú od M4 do M12.

        Parametre produktu

        T style weld nuts with type 1A parameter

        Po
        M4 M5 M6 M8 M10 M12
        P
        0.7 0.8 1 1|1.25 1.25|1.5 1,25|1,75
        dk max
        20.5 20.5 23.7 23.7 31 33.2
        dk min
        19.5 19.5 22.3 22.3 29 30.8
        s max
        12.25 12.25 14.3 14.3 19.4 21.5
        s min
        11.75 11.75 13.7 13.7 18.6 20.5
        ds max
        5.9 6.7 8.3 10.2 13.2 15.2
        ds min
        5.4 6.2 7.8 9.5 12.5 14.5
        k max
        5.9 6.9 7.5 9 10.6 11.8
        k min
        5.1 6.1 6.5 8 9.4 10.2
        h max
        1.4 1.4 1.85 1.85 2.3 2.3
        h min
        1 1 1.35 1.35 1.7 1.7
        d2 max
        6.9 6.9 8.9 10.9 12.9 14.9
        d2 min
        6.7
        6.7
        8.7
        10.7
        12.7
        14.7
        h2 max
        0.8 0.8
        0.8
        0.8
        1.2 1.2
        h2 min
        0.6 0.6
        0.6
        0.6
        1 1
        d0 max
        3.25 3.25
        3.25
        3.25
        4.05 4.05
        d0 min
        2.75 2.75
        2.75
        2.75
        3.55 3.55
        h1 max
        0.6 0.6
        0.6
        0.6
        0.7 0.7
        h1 min
        0.4 0.4
        0.4
        0.4
        0.5
        0.5
        d1 max
        15.2 15.2
        17.25 17.25 22.3 24.3
        d1 min
        14.8 14.8 16.75 16.75 21.7 23.7

        Vlastnosti produktu a inštalácia

        Zváracie matice typu T s typom 1A majú výraznú štruktúru v tvare T. Príruba môže zväčšiť kontaktnú plochu s kovovou doskou, rozložiť tlak a zvýšiť bezpečnosť zvárania. Veľkosť a výška zváracích výstupkov na prírube je rovnaká a zahrievanie je počas procesu zvárania rovnomerné. Jeho presnosť závitu je vysoká. Keď je skrutka zaskrutkovaná, je veľmi hladká bez akéhokoľvek zaseknutia alebo uvoľnenia.

        T style weld nuts with type 1A

        Zváracie matice typu 1A T sú pomenované podľa svojho tvaru: telo šesťhrannej matice je excentricky namontované na pravouhlej základnej doske (prírube). Typ 1A označuje, že je určený na oblúkové zváranie (MIG alebo TIG) okolo okraja príruby. Dizajn tvaru „T“ vám umožňuje umiestniť závitové otvory na požadované miesto, dokonca aj blízko okraja, kde nie je možné nainštalovať stredovú maticu, a to sa dá ľahko dosiahnuť.

        Inštalácia zváracích matíc typu T typu 1A znamená vykonať zváranie pozdĺž obvodu pravouhlej príruby. Maticová základňa typu 1A je plochá a nemá žiadne otvory ani výčnelky. Na vytvorenie súvislých zvarových hút pozdĺž okraja príruby môžete použiť MIG alebo TIG. Dobré celkové spojenie je rozhodujúce, pretože je to jediný spôsob, ako opraviť prírubu. Kov predtým dôkladne očistite.

        Zváracie matice typu 1A T sú drahšie ako bežnéhranaté orechy. Budete musieť zaplatiť za tvar spracovania príruby a ďalšie materiály. Trvá tiež dlhšie, kým sa správne zvaria okolo príruby. Najmä vtedy, keď je potrebné odsadiť polohu závitu, použite ich; v opačnom prípade môžu byť štandardné orechy lacnejšie.

        Hot Tags: Zváracie matice v štýle T s typom 1A, Čína, výrobca, dodávateľ, továreň
        Súvisiaca kategória
        Odoslať dopyt
        Neváhajte a zadajte svoj dopyt vo formulári nižšie. Odpovieme vám do 24 hodín.
        X
        Súbory cookie používame, aby sme vám poskytli lepší zážitok z prehliadania, analyzovali návštevnosť stránok a prispôsobili obsah. Používaním tejto stránky súhlasíte s naším používaním cookies. Zásady ochrany osobných údajov
        Odmietnuť Prijať