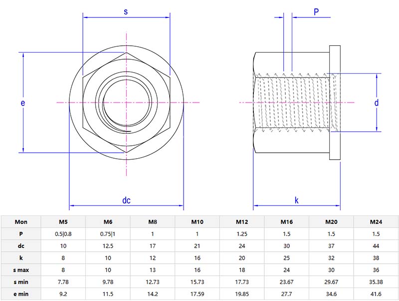
Šesťuholníkový orech s golieromsú štandardné šesťuholníkové orechy. Pod hlavou šesťuholníka je rozšírený valcový golier. Golier dodáva ďalšie zapojenie vlákna a chráni závity skrutiek pred poškodením. Golier sa správa ako vstavaná práčka.

Šesťuholníkový orech s golieromsú praktické upevňovacie prvky, kde sa golier rozširuje pod šesťhrannú hlavu, čo vám dáva 2-3 ďalšie nite pre bezpečnejšie priľnavosť. Štandardný šesťuholníkový tvar sa dá použiť so všetkými obyčajnými kľúčmi a hladký okraj goliera uľahčuje inštaláciu pracovníkom. Aj keď je vstavaný golier o niečo ťažší ako základná matica, dodáva pevnosť a eliminuje potrebu samostatnej podložky alebo tesnenia. Ak potrebujete ďalšie zapojenie vlákien alebo chcete minimalizovať exponované ostré hrany v mechanickej konštrukcii, odporúčame vám vybrať si náššesťuholníkový orech s golierom.

Prečo vybraťšesťuholníkový orech s golierom?
Golier drží skrutku dlhšie, čím sa znižuje riziko straty nite pri veľkých zaťaženiach. Môže tiež pokryť ostré konce skrutiek, vďaka čomu je bezpečnejšie používať na ihriskách, nábytku alebo vybavení. Stačí len nainštalovať maticu, golier môže hrať dvojitú úlohu. Ideálne pre prostredia, v ktorých zmeny dĺžky skrutky alebo závity vyžadujú ochranu.
Šesťuholníkový orech s golieromsa používa v automobilovom priemysle (zavesené systémy, držiaky motora), výstavba a poľnohospodárstvo. Používajú sa tiež v zostave nábytku, fitnes zariadenia a projekty pre domácich majstrov, kde sa skrutky často upravujú.
Šesťuholníkový orech s golieromPoskytuje ďalšiu bezpečnosť vlákna. Nevyžadujú sa žiadne ďalšie podložky alebo kryty, je to ideálne pre nadšencov DIY alebo odvetvia, ktoré uprednostňujú účinnosť. Je to o niečo drahšie, ale šetrí čas a znižuje počet použitých častí.