Tieto nitované kolíky UN pre dosku PCB sú zvyčajne vyrobené z dobrých oceľových zliatin, ako je napríklad nízkouhlíková alebo nehrdzavejúca oceľ alebo hliník. Majú pevnú mechanickú pevnosť a dobre držia v priebehu času.
Oceľové ponúkajú najväčšiu pevnosť v ťahu a šmyku. Hliníkové zas pekne vedú elektrinu a sú ľahké.
Kov zvolený pre tieto kolíky znamená, že dokážu zvládnuť veľké mechanické zaťaženie, namáhanie z cyklov zahrievania a chladenia a zostávajú pevné po celú dobu používania produktu.
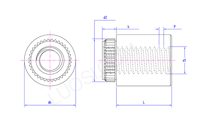
Nitovaný kolík UN pre dosku plošných spojov je trvalý a vysoko pevný spojovací prvok, ktorý sa používa na zabezpečenie spoľahlivého fixačného bodu s vonkajším závitom na doskách plošných spojov (PCB). „UN“ tu zvyčajne predstavuje „jednotnú národnú normu“, čo sa týka štandardizovaného typu závitu skrutky, ktorý má (napríklad UNC alebo UNF), čo zabezpečuje jej kompatibilitu s rôznymi štandardnými maticami.
Proces inštalácie je rýchly a efektívny. Vložte kolík do predvŕtaného otvoru na doske plošných spojov. Potom použite špeciálny nitovací nástroj na deformáciu plochého konca čapu, čo spôsobí jeho roztiahnutie smerom von a pevné uchytenie medzi hlavou nitu a ramenom alebo prírubou čapu, čím sa vytvorí pevné spojenie odolné voči vibráciám bez potreby zvárania.
Táto metóda je vhodná najmä pre scenáre, ktoré vyžadujú odolávať veľkému mechanickému namáhaniu, je potrebné podstúpiť viacero zásuvných operácií alebo kde teplo generované zváraním môže poškodiť citlivé komponenty.
Tieto UN nitované kolíky pre PCB dosky sa vkladajú pomocou metódy tvárnenia za studena alebo nitovania.
Čap zapichnete cez predvŕtaný otvor v DPS. Potom špeciálny nitovací nástroj ohne driek čapu proti matrici pod doskou, čím sa vytvorí trvalý, rozšírený zámok, ktorý ho drží na mieste.
Metóda spracovania za studena generuje menej tepla a nepoškodí laminát PCB ani obvody. Pri správnej inštalácii kolíky poskytujú pevnú fixáciu odolnú voči vibráciám bez toho, aby ohrozili štruktúru dosky plošných spojov.

| trhu | Výnosy (predchádzajúci rok) | Celkové výnosy (%) |
| Severná Amerika | Dôverné | 20 |
| Južná Amerika | Dôverné | 4 |
| východnej Európy | Dôverné | 24 |
| Juhovýchodná Ázia | Dôverné | 2 |
| Afriky | Dôverné | 2 |
| Oceánia | Dôverné | 1 |
| Stredný východ | Dôverné | 4 |
| východnej Ázie | Dôverné | 13 |
| západnej Európe | Dôverné | 18 |
| Stredná Amerika | Dôverné | 6 |
| Severná Európa | Dôverné | 2 |
| Južná Európa | Dôverné | 1 |
| Južná Ázia | Dôverné | 4 |
| domáci trh | Dôverné | 5 |