Domov > Produkty > Orech > Okrúhla matica > Matica GB 812
        Matica GB 812
        • Matica GB 812Matica GB 812
        • Matica GB 812Matica GB 812

        Matica GB 812

        Xiaoguo® je čínsky dodávateľ matice GB 812, ktorá sa môže pochváliť vynikajúcou pevnosťou a odolnosťou. Samotný výrobok odolá extrémne vysokej záťaži a funguje podľa svojich najlepších schopností a je nepravdepodobné, že by sa pri dlhodobom používaní zdeformoval. Skúste si vybrať pokročilú maticu GB 812. Určite budete milo prekvapení!

        Odoslať dopyt

        Popis produktu

        Položky z továrenskej kontroly

        Aby sme zaistili spoľahlivosť vyrobených matíc, budeme prísne vykonávať testy v súlade s normou pre orechy GB 812. Testy sa zamerajú na štyri kľúčové aspekty: veľkosť, výkon, materiál a vzhľad.

        (1) Kontrola rozmerov a presnosti

        Meranie rozmerov tvaru: Zmerajte vonkajší priemer, vnútorný priemer a celkovú výšku matice. Namerané hodnoty by nemali prekročiť tolerančný rozsah a mali by sa urobiť fotografie pre záznam.

        Kontrola veľkosti drážky: Skontrolujte šírku, hĺbku a priemer drážky alebo zárezu, aby ste sa uistili, že dobre sedí s používaným nástrojom.

        (2)Kontrola presnosti závitu

        Kontrola závitomeru: Skúška sa vykonáva pomocou "závitomeru (GO)" a "dorazového meradla (NO-GO)". Kvalifikovaná norma je nasledovná: Závitová mierka by sa mala dať hladko a úplne zasunúť, zatiaľ čo dorazová mierka môže byť zasunutá najviac o 2 otáčky.

        Meranie parametrov závitu: Pomocou presných prístrojov sa ďalej meria stredný priemer, odchýlka stúpania a uhol skrutkovice závitu.

        GB 812 Nut

        (3) Testovanie mechanického výkonu

        Test tvrdosti: Použite tvrdomer Rockwell (HRC), Brinell (HBW) alebo Vickers (HV) na meranie tvrdosti na čelnej strane alebo strane matice GB 812.

        Ďalšie výkonnostné testy: V závislosti od požiadaviek aplikácie je možné vykonať aj dodatočné testy, ako je pevnosť v ťahu, rázová húževnatosť a únavová životnosť, aby sa komplexne vyhodnotili jeho mechanické vlastnosti.

        (4) Kvalita povrchu a kontrola materiálu

        Analýza zloženia materiálu: Pomocou metód ako je spektroskopická analýza bol overený materiál orecha.

        Kontrola povrchovej úpravy:

        Vzhľad a chyby: Skontrolujte pri dobrom osvetlení pomocou vizuálnej kontroly alebo lupy. Nesmú byť prítomné praskliny, otrepy, záhyby, hrdza atď., ktoré môžu ovplyvniť pevnosť.

        Kvalita náteru: Ak bol výrobok podrobený úpravám, ako je galvanizácia, černenie alebo náter Dacromet, je potrebné otestovať hrúbku náteru (pomocou hrúbkomeru), priľnavosť (ako je test poškriabaniu) a odolnosť proti korózii (testom soľným postrekom).

        GB 812 Nut

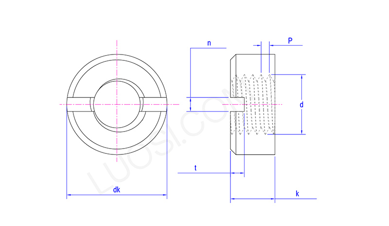
        Po M3.5 M4 M5 M6 M8 M10 M12 M14 M16 M18 M20
        P 0.6 0.7 0.8 1 1.25 1.5 1.75 2 2 2.5 2.5
        dk max 7 8 9 11 14 18 21 24 26 29 32
        dk min 6.64 7.64 8.64 10.57 13.57 17.57 20.48 23.48 25.48 28.48 31.38
        k max 3 3.5 4.2 5 6.5 8 10 11 12 13 14
        k min 2.75 3.2 3.9 4.7 6.14 7.64 9.64 10.57 11.57 12.57 13.57
        n min 1.46 1.46 2.06 2.56 3.06 3.57 4.07 4.07 4.07 4.07 5.07
        n max 1.71 1.71 2.31 2.81 3.31 3.87 4.37 4.37 4.37 4.37 5.37
        t min 1 1.2 15 2 2.5 3.2 3.8 3.8 3.8 4.8 4.8
        t max 1.40 1.60 1.90 2.4 3 3.7 4.3 4.3 4.3 5.5 5.5

        Balenie

        Pri továrenskom balení orecha GB 812 sa budeme riadiť štandardom GB/T 90.2. Kľúčovými požiadavkami je zabezpečiť, aby boli etikety produktov úplné, obal bol pevný a aby odolal vplyvom prostredia počas prepravy a skladovania.

        (1)Protikorózna úprava: Výrobky bez náteru musia byť natreté antikoróznym prostriedkom.

        (2) Forma balenia: Viacnásobné plastové škatule / vrecká, antikorózne vrecká / fólie. Vonkajší obal je zvyčajne vyrobený z tkaných vriec, kartónových krabíc alebo drevených škatúľ (pre špeciálne požiadavky, ako je export, je možné použiť vlastné balenie)

        (3) Pevnosť balenia: Vyhovuje vedeckým, robustným a ekonomickým princípom, zabraňuje poškodeniu počas prepravy (konkrétne podrobnosti určíme s vami)

        (4)Obsah štítku: Výrobca, názov produktu, štandardná značka, množstvo/čistá hmotnosť, dátum výroby, značka kvality atď.

        (5)Formát štítku: Žiadne obmedzenia (tlač / embosovanie / priviazanie / nalepenie sú prijateľné)

        Hot Tags: Orech GB 812, Čína, Výrobca, Dodávateľ, Továreň
        Súvisiaca kategória
        Odoslať dopyt
        Neváhajte a zadajte svoj dopyt vo formulári nižšie. Odpovieme vám do 24 hodín.
        X
        Súbory cookie používame, aby sme vám poskytli lepší zážitok z prehliadania, analyzovali návštevnosť stránok a prispôsobili obsah. Používaním tejto stránky súhlasíte s naším používaním cookies. Zásady ochrany osobných údajov
        Odmietnuť Prijať