Domov > Produkty > Orech > Okrúhla matica > Kruhová matica s drážkou
        Kruhová matica s drážkou
        • Kruhová matica s drážkouKruhová matica s drážkou
        • Kruhová matica s drážkouKruhová matica s drážkou

        Kruhová matica s drážkou

        Čína Xiaoguo® Kruhová matica s drážkou je schopná odolať rôznym drsným prostrediam a ľahko si poradí s materiálmi z nehrdzavejúcej ocele. Toto je vynikajúca odolnosť produktu proti korózii. Dodávatelia drážkovaných kruhových matíc vám poskytnú vysokokvalitné produkty.

        Odoslať dopyt

        Popis produktu

        Postup riešenia problémov

        Čo sa týka bežných problémov s drážkovanou kruhovou maticou, ide o systematický postup manipulácie, ktorý vám pomôže rýchlo identifikovať a vyriešiť problémy.

        (1) Identifikujte problém

        Vizuálna kontrola: Skontrolujte, či sú matice uvoľnené, či závity nie sú zhrdzavené alebo skĺznuté a či na drážkach nie sú praskliny alebo deformácie.

        Pocitový test: V bezpečnom stave sa pokúste manuálne otočiť maticu a sledujte, či je zjavný odpor alebo rotačná medzera.

        Spätná väzba zariadenia: Venujte pozornosť tomu, či nedochádza k abnormálnym vibráciám, neobvyklému hluku alebo nestabilnej prevádzke zariadenia.

        Profesionálny nástroj: Vykonávajte náhodné kontroly pomocou momentového kľúča.

        (2) Diagnostika porúch

        Matica je uvoľnená.

        Skrutka sa nevysunie.

        Opotrebenie závitu

        Orech sa zlomil.

        Poškodenie slotu

        (3)Vykonajte opravu

        Priama oprava: Pri uvoľnených častiach a menšej korózii je možné mazanie a opätovné dotiahnutie vykonať priamo.

        Vymeňte za nové diely: Matice s veľmi opotrebovanými závitmi, poškodenými alebo zlomenými drážkami by sa mali vymeniť priamo.

        Štandardný pracovný postup: Pri prevádzke vždy používajte správne nástroje a dodržujte štandardný krútiaci moment.

        Slotted Circular Nut

        Výrobná kapacita spoločnosti

        Sme si dobre vedomí toho, že pokročilé výrobné techniky a zariadenia sú základom pre zabezpečenie vysokej kvality a vysokej výrobnej kapacity. Preto sme zaviedli pokročilé techniky tvárnenia kovov. Prostredníctvom foriem sú kovové tyče podrobené plastickej deformácii, aby sa vytvoril základný tvar matíc, a na dosiahnutie efektívneho a presného spracovania drážkovania sa používa automatizovaný proces drážkovania. Integrovaná výrobná linka umožňuje nezávislú výrobu celého procesu od surovín až po hotové výrobky. Zároveň sme vybavení testovacími prístrojmi a celoprocesným systémom kontroly kvality na monitorovanie a sledovanie celého výrobného procesu drážkovanej kruhovej matice.

        Slotted Circular Nut

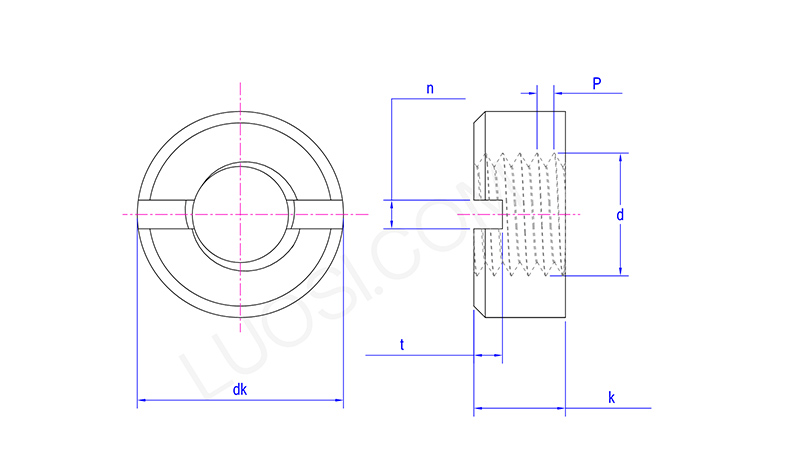
        Po M3.5 M4 M5 M6 M8 M10 M12 M14 M16 M18 M20
        P 0.6 0.7 0.8 1 1.25 1.5 1.75 2 2 2.5 2.5
        dk max 7 8 9 11 14 18 21 24 26 29 32
        dk min 6.64 7.64 8.64 10.57 13.57 17.57 20.48 23.48 25.48 28.48 31.38
        k max 3 3.5 4.2 5 6.5 8 10 11 12 13 14
        k min 2.75 3.2 3.9 4.7 6.14 7.64 9.64 10.57 11.57 12.57 13.57
        n min 1.46 1.46 2.06 2.56 3.06 3.57 4.07 4.07 4.07 4.07 5.07
        n max 1.71 1.71 2.31 2.81 3.31 3.87 4.37 4.37 4.37 4.37 5.37
        t min 1 1.2 15 2 2.5 3.2 3.8 3.8 3.8 4.8 4.8
        t max 1.40 1.60 1.90 2.4 3 3.7 4.3 4.3 4.3 5.5 5.5

        FAQ

        (1)Aké sú bežné štandardné špecifikácie pre drážkovanú kruhovú maticu?

        Bežné normy zahŕňajú: GB/T 812 (čínska národná norma), DIN 981 (nemecká norma, často používaná pre uzamykacie ložiská), DIN 1804 a ANSI/ABMA 8.2 (americká norma) atď.

        (2)Je možné maticu znova použiť?

        Áno, pokiaľ nie je poškodená štruktúra, ako je závit a drážka matice, telo matice je možné znova použiť.

        (3)Aká je odporúčaná doba údržby orechov?

        Odporúča sa vykonať kontrolu vzhľadu raz za mesiac; a každý štvrťrok vykonajte náhodnú kontrolu opätovného utiahnutia pomocou profesionálnych nástrojov.

        (4)Aké sú najdôležitejšie údaje pri výbere špecifikácie orecha?

        Najdôležitejším faktorom je špecifikácia závitu (menovitý priemer × stúpanie) a je nevyhnutné overiť stúpanie (napríklad M16 × 1,5), aby sa zabezpečilo, že je úplne v súlade so špecifikáciou závitu hriadeľa.


        Hot Tags: Drážkovaná kruhová matica, Čína, výrobca, dodávateľ, továreň
        Súvisiaca kategória
        Odoslať dopyt
        Neváhajte a zadajte svoj dopyt vo formulári nižšie. Odpovieme vám do 24 hodín.
        X
        Súbory cookie používame, aby sme vám poskytli lepší zážitok z prehliadania, analyzovali návštevnosť stránok a prispôsobili obsah. Používaním tejto stránky súhlasíte s naším používaním cookies. Zásady ochrany osobných údajov
        Odmietnuť Prijať